TURCK Bi1.5-Eg08-An6X Inductive 4602340

Turck
SKU:
BI1.5-EG08-AN6X
Availability:
Factory stock
$133.60
Condition:
New
Manufacturer's Part Number: 4602340
Current Stock:
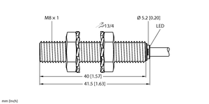
Inductive Sensor. Ident. no.: 4602340. M8 1 threaded tube. Stainless steel, 1.4305 (AISI 303). DC 3-wire, 1030 VDC. NO contact, NPN output. Cable connection
Design:
Threaded barrel
Construction size:
M8 x 1
Rated switching distance:
1.5 mm
Mounting:
Flush
Operating voltage:
10…30 VDC
Output function:
NO contact, NPN
Switching frequency:
3.0 kHz
Electrical connection:
Cable
Cable length (L):
2.0 m
Housing material:
Stainless steel, 1.4305 (AISI 303)
Ambient temperature:
-25…+70 °C
Protection class:
IP67
Catalog:
View
Datasheet:
View