

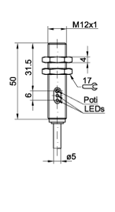
The SensoPart FE 12 R-PSK3 is a high-performance sensor designed for precision and reliability in industrial applications. This compact and robust sensor is engineered to deliver accurate detection and measurement, making it ideal for use in automation and control systems. With its advanced technology, the SensoPart FE 12 R-PSK3 ensures optimal performance even in challenging environments, providing users with the confidence and efficiency needed for seamless operations. Its easy integration and user-friendly interface make it a versatile choice for various industrial needs.