
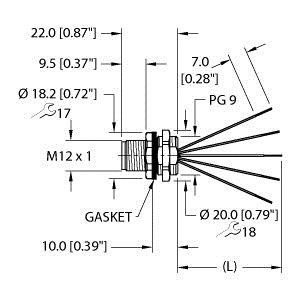
Turck Efsbg-A5.500.2-1 Receptacles UX19160
Turck
$14.10
Manufacturer's Part Number: UX19160
Actuator and Sensor Receptacle. Front Mount. Ident. no.: UX19160. M12, Male, Receptacle, Front mount, 5-pin. Mounting thread: PG9